The Unsung Hero of the Warehouse: Sukella syvään trukkien laakeritekniikkaan ...
LUE LISÄÄ:
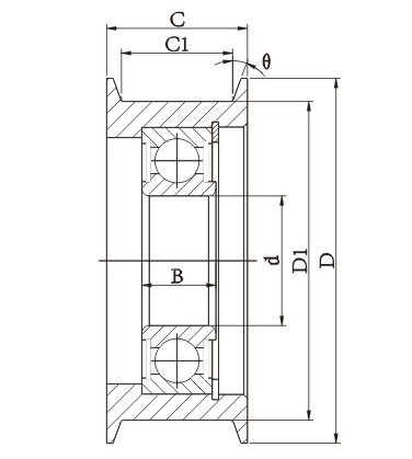
Varastokoodi: 920002
● Trukin maston laakerirenkaan materiaalit ja lämpökäsittely
Maston laakerirenkaiden (mukaan lukien akselit) materiaalien valinta perustuu laakerirenkaan osien kantamiin erilaisiin kuormiin ja rakenteisiin. Yleensä valmistukseen valitaan laakeriteräs, korkealaatuinen hiilirakenneteräs, hiilikuituteräs ja muut materiaalit. Laakerirengasosien mekaanisten ominaisuuksien saamiseksi käytetään erilaisia lämpökäsittelyprosesseja.
● Trukin maston laakerin kuormitus ja rakenne
Maston laakereissa kuorman suuruus on ensimmäinen tekijä, joka on otettava huomioon laakereita valittaessa. Laakereiden samoilla mitoilla rullarakenteen kantokyky on suurin ja sen jälkeen kaksinkertainen. -rivipallorakenne ja yksirivisen kuularakenteen kantokyky on suhteellisen pieni. Tämän tyyppisen rakenteen laakereista täyspallo- (tai rulla-) rakenteen kantokyky on suurempi kuin häkillä varustetun laakerin. Riittävän kantokyvyn edellytyksenä voidaan käyttää tavallista yksirivistä pallorakennetta.
● Erot trukin maston laakereiden ja muiden vakiolaakereiden välillä
Muihin vakiolaakereihin verrattuna maston laakerit erottuvat pääasiassa siinä, että sisärengas on paikallaan suhteessa akseliin ja ulkorengas pyörii ja liikkuu tietyn säännön (aika tai iskun) mukaan, kantaen jatkuvasti muuttuvia kuormia liikkeen aikana.
● Erot trukin maston ja muiden vakiolaakereiden välillä liikkeessä
Liikkeen aikana maston laakerin ulkorengas hankaa toistuvasti telapinnan pintaa vasten ja kuluu jatkuvasti. Eri telamateriaalien mukaan laakerin pinnan kovuus tulee määrittää kohtuudella ja huomioida sekä kiskon suojaus että laakerin käyttöikä.
| Laakeri nro | Mitat (mm) | Peruskuormitusluokitus (KN) | Viite. Ei. | |
| d*D*C/B | Cr | Cor | ||
| CG25E1-1 | 25*108/89*38,1/31,75*24 | 42.6 | 35.8 | |
| CG30E1-1 | 30*90/80*36/27*19 | 26.7 | 14.9 | |
| CG35E1-3 | 35*98,5/86*50,3/30*20 | 38.74 | 26.79 | CHL、3CLS551 |
| CG35E1-4 | 35*98,5/86*50,3(39)27*20 | 38.74 | 26.79 | BZW |
| CG45E1-1M1 | 45*123/115*36/29*32 | 75.5 | 121.6 | |
| CG50E1-1 | 50*138/114*52/36*40 | 57 | 46.5 | |
| CG55E1-1M45T1 | 55/100*156/140*54/38*45 | 70.5 | 58.8 | |
| CG60E1-1M1 | 60*170/150*70/50*75 | 200 | 228 | |
| CG75E1-1M45T1 | 75/130*216/200*66/50*54 | 107.2 | 99.3 | |
| CG95E1-1 | 95*246/230*80/68 | 179 | 165 | |
| CG100E1-1 | 100*280/230*96/69*100 | 380 | 820 | |

The Unsung Hero of the Warehouse: Sukella syvään trukkien laakeritekniikkaan ...
LUE LISÄÄ:
Yli viiden vuosikymmenen ajan, perustamisestamme vuonna 1969, Jiangsu Wanda S...
LUE LISÄÄ:
Perustamisestaan vuonna 1969 lähtien JiangsuWandaSpecialBearingCo., Ltd (en...
LUE LISÄÄ:
Trukin sivurullien roolin ymmärtäminen Trukin sivurullat ovat tärkei...
LUE LISÄÄ:
Rullapyöräketjujen ymmärtäminen Rullapyörän ketjut ovat olenn...
LUE LISÄÄ: